Принцип работы сумматора

Сумматоры — это комбинационные устройства, предназначенные для сложения чисел. Сумматорами называют логические устройства, выполняющие арифметические суммирование кодов двоичного числа. Символическое изображение одноразрядного двоичного сумматора показано на рис.10.29. Сумматор имеет три входа, где Принцип работы сумматора - изображение 26 Принцип работы сумматора - фото 27 Принцип работы сумматора - фотография 28 - слагаемые одинакового разряда, Принцип работы сумматора - изображение 29 – слагаемое переноса; на выходе формируется Принцип работы сумматора - изображение 30 – сумма cлагаемых и Принцип работы сумматора - изображение 31 – слагаемое переноса в старший разряд.

Функционирование однозарядного сумматора показано в таблице, приведённой на рис.10.30. В этом случае при сложении слагаемых Принцип работы сумматора - изображение 32 используется перевод десятичных чисел в двоичные числа.

Принцип работы сумматора - фотография 33

Pиc.10.29. Символическое изображение одноразрядного двоичного сумматора

Рассмотрим пример:

При сложении слагаемых Принцип работы сумматора - изображение 34 или 0+1+0 получается десятичное число 1. Такому числу соответствует двоичное число 01, при этом Принцип работы сумматора - изображение 35 Аналогично, 1+1+0 = 2, которому соответствует двоичное число 10, при этом Принцип работы сумматора - изображение 36 . При сложении чисел 1+1+1 = 3, которому соответствует двоичное число 11, при этом Принцип работы сумматора - фото 37 и так далее.

Сумматоры могут быть последовательного и параллельного действия. В сумматорах последовательного действия коды двоичных чисел вводятся в последовательной форме слагаемое за слагаемым, начиная с младшего разряда.

На рис.10.31 изображена схема сумматора последовательного действия, предназначенного для суммирования четырёхразрядных двоичных чисел. Сумматор построен на трёх регистрах сдвига, D-триггере и на одноразрядном сумматоре.

Принцип работы сумматора - фотография 38

Рис.10.30. Таблица функционирования одноразрядного сумматора

Принцип работы сумматора - фотография 39

Рис.10.31. Схема сумматора последовательного действия

Функционирование сумматора приведено в таблице рис.10.32, где слагаемое pi для первого разряда всегда равно нулю.

Принцип работы сумматора - фотография 40

Рис.10.32. Таблица функционирования сумматора

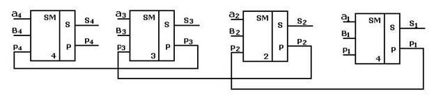
Для ускорения операции сложения используются сумматоры параллельного действия, которые состоят из нескольких однозарядных сумматоров. В таких сумматорах слагаемые Принцип работы сумматора - фотография 41 Принцип работы сумматора - фотография 42 поступают одновременно на соответствующие входы однозарядных сумматоров, при этом каждый из однозарядных сумматоров формирует на своих выходах суммы соответствующих разрядов и слагаемые переноса, передаваемых на входы старших разрядов. Схема четырёхразрядного сумматора параллельного действия приведена на рис.10.33.

Принцип работы сумматора - изображение 43

Рис.10.33. Схема четырёхразрядного сумматора параллельного действия

  • 5 Компенсационный резистор в схеме сумматора
  • 6 Симуляция работы сумматора на ОУ в Proteus
  • 6.1 Симуляция инвертирующего сумматора
  • 6.2 Симуляция неинвертирующего сумматора
  • 7 АЧХ и ФЧХ сумматора
  • 8 Сравнение неинвертирующих сумматоров
  • 9 Плюсы и минусы инвертирующего и неинвертирующего сумматора
  • 10 Применение аналогового сумматора

Что такое сумматор

В общем смысле слова, сумматор – это какое-либо устройство, которое что-либо суммирует и выдает на выходе сумму этих воздействий. Сумматор можно представить в виде какого-либо неизвестного нам ящика, на который поступает входные воздействия и на выходе такого ящика выдается их сумма.

Принцип работы сумматора - изображение 44

В электронике сумматоры делятся на две группы:

  • сумматоры аналоговых сигналов
  • сумматоры цифровых сигналов

В этой статье мы будем разбирать аналоговые сумматоры.

Аналоговый сумматор

Многие помнят осциллограмму постоянного напряжения.

Принцип работы сумматора - изображение 45

Если, допустим, цена нашего квадратика 1 В, то на данной картинке мы видим постоянное напряжение амплитудой в 1 В. Суммировать постоянное напряжение – одно удовольствие. Для этого достаточно сложить амплитуды этих сигналов в любой момент времени.

На рисунке ниже мы видим два сигнала A и B и сумму этих сигналов: A+B. Если сигнал A = 2 В, сигнал B = 1 В, то сумма этих сигналов составит 3 В.

Принцип работы сумматора - изображение 46

Все то же самое касается и сигналов с отрицательной полярностью.

Принцип работы сумматора - изображение 47

При сложении сигналов с равной амплитудой, но разной полярности, в сумме получаем 0. То есть эти два сигнала взаимно себя скомпенсировали: 1 +(-1)=0. Все становится намного веселее, если мы начинаем складывать сигналы, которые меняются во времени, то есть переменные сигналы. Они могут быть как периодические, так и непериодические. 

Рассмотрим самый простой пример. Есть два синусоидальных сигнала с одинаковыми амплитудами, частотами и фазами. Подадим их на сумматор. Что получится в итоге?

Принцип работы сумматора - фотография 48

Получим синусоиду с амплитудой в два раза больше. Как вообще она получилась? Вычисления производятся довольно просто. Каждая точка синусоиды A+B  – это сложение точек в одинаковый момент времени синусоид А и B. Для наглядности взяли 3 точки: t1 , t2  и t3 .

В момент времени t1 у нас амплитуда сигнала А была равна 1 В, амплитуда сигнала В тоже 1 В.

В сумме их результат в момент времени t1 будет равен 2 В, что мы и видим на сигнале A+B

В момент времени t2 амплитуда сигнала A была 0 В, амплитуда сигнала В тоже 0 В. Как нетрудно догадаться, 0+0=0, что мы и видим на сигнале A+B в момент времени t2 .

Ну а в момент времени t3 амплитуда сигнала А = -1 В, амплитуда сигнала В = -1 В, в результате их сумма -1+(-1) = – 2 В, что мы как раз и видим на синусоиде А+B в момент времени t3 . Отсюда вывод: для сложения сигналов надо суммировать амплитуды сигналов в одинаковые моменты времени.

Если сместить фазу одного из сигналов на 180 градусов, относительно другого, а амплитуды и частоты сигналов оставить без изменения, то чему будет равняться их сумма? Сместим второй сигнал на 180 градусов и суммируем их амплитуды в каждый момент времени. Сумма будет равняться нулю, что и видно на рисунке ниже.

Принцип работы сумматора - фото 49

Сложение двух сигналов в Proteus

Если надо сложить в теории два каких-нибудь два сложных сигнала с разными фазами, амплитудами, частотами, то проще всего прибегнуть к различным симуляторам.

Один из них – это Proteus. С помощью него можно сложить два любых сигнала и посмотреть их сумму.

Для этого надо выбрать синусоидальный генератор.

Принцип работы сумматора - фотография 50

Затем виртуальный осциллограф.

Принцип работы сумматора - фотография 51

Собрать схему.

Принцип работы сумматора - изображение 52

Задать параметры генератору.

Принцип работы сумматора - изображение 53

Теперь можно сложить два синусоидальных сигнала с одинаковыми амплитудами, фазами и частотами.

Принцип работы сумматора - фото 54

Прописать амплитуду и частоту каждого сигнала и нажать "пуск".

Принцип работы сумматора - фото 55

Нажать правой кнопкой мыши на виртуальный осциллограф и нажать Digital Oscilloscope.

Принцип работы сумматора - изображение 56

Принцип работы сумматора - фото 57

Для того, чтобы найти их сумму, достаточно нажать на кнопку A+B.

Принцип работы сумматора - изображение 58

Получаем сумму двух сигналов.

Принцип работы сумматора - изображение 59

В таком виртуальном осциллографе можно складывать любые два сигнала.

Источники:

Понравилась статья? Расскажите друзьям:
Оцените статью, для нас это очень важно:
Проголосовавших: 5 чел.
Средний рейтинг: 2.8 из 5.

Оставить комментарий:

Отправить

Полезные сервисы:

Опрос:
Чтобы проголосовать, кликните на нужный вариант ответа.